V錐流量計的安裝和使用
一、V錐流量計概述
V錐流量計是一款流量測量儀表,主要用于液體、氣體、蒸汽的流量測量,V錐型流量計分一體式與分體式兩種形式。V錐流量計與其他流量儀表相比,具有長期精度高、穩(wěn)定性好,受安裝條件局限小、耐磨損、測量范圍寬、壓損小、適合贓污介質等優(yōu)點。
二、V錐流量計安裝方法
1、V錐流量計測量液體流量
(1)差壓變送器最好安裝在內錐體裝置的下方,這樣可以避免液體中氣體進入導壓管和變送器中。
?。?)如果變送器不得不安裝在內錐體裝置的上方,為了減少液體中的氣體進入導壓管內,應在內錐體裝置和導壓管之間裝U型彎管,且彎頭下端至少低于管道中心1米。
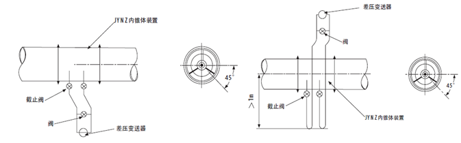
?。?)在水平或傾斜的管道上,如果將導壓管裝在內錐體裝置的上半部,這樣導壓管內會積聚氣體,如果裝在內錐體裝置的下半部,會使沉積物落入導壓管內。因此,導壓管應自內錐體裝置的水平中心線兩端引出,或自水平向下小于45度引出。

2、V錐流量計測量蒸汽流量
?。?)為了保證變送器不受蒸汽高溫的影響,在變送器和內錐體裝置之前必須安裝兩個位于同一高度的冷凝器,并在冷凝器、導壓管和高、低壓室內充滿冷凝水,避免高溫對變送器的影響。
?。?)差壓變送器最好安裝在內錐體裝置的下方,這樣可以避免氣體進入導壓管和變送器中。冷凝器應安裝在盡可能量靠近內錐體裝置處。
(3)如果差壓變送器不得不安裝在內錐體裝置的上方,應把冷凝器裝在高于差壓變送器的地方。
(4)以上安裝方法均在靠近變送器的地方裝有閥,以供吹洗導壓管。同時在V錐流量計和冷凝器之前的導壓管上應加保溫層。

3、V錐流量計測量氣體流量
?。?)差壓變送器最好安裝在內錐體裝置的上方,這樣可以使導壓管內所產生的冷凝液流回管道。
?。?)如果變送器不得不安裝在內錐體裝置的下方,為了減少水份凝結在導壓管內,應從內錐體裝置引出導壓管裝U型彎管,且彎管頭上端至少高于管道中心1米。
(3)在水平或傾斜的管道上,為了避免管道中冷凝液進入導壓管,導壓管應自內錐體裝置的水平中心線上半部引出。
?。?)若氣體中含有污物或灰塵,在導壓管的轉彎地方應安裝十字接頭,以便清洗或吹洗。

最新資訊文章
- 流速式流量計的安裝注意也需要一定講究
- 氣體渦街流量計在測量蒸汽爐煤氣時出現問題及解決方法
- 孔板流量計測量瓦斯抽放流量時的安裝要求及取壓方式
- 測蒸汽時應選孔板流量計還是渦街流量計?
- 差壓孔板流量計出現故障時 不妨試試以下方法
- 天然氣流量計管道調試故障原因分析
- 插入式流量計的原理與分類
- 如何消除污水流量計工頻干擾和零點漂移
- 孔板流量計:自動化設計廢鋼鐵行業(yè)轉行井噴
- 前后直管段太短時孔板流量計應該如何安裝
- 德爾塔巴流量計的安裝要求以及注意
- 高壓孔板流量計在冷凍水檢測中的注意要點及解決方案介紹
- 選型蒸汽流量計時所需要注意的問題介紹
- 導致孔板流量計誤差變大的原因分析
- 孔板流量計測量蒸汽產生誤差的原因分析及解決辦法
- 深入探究影響孔板流量計進行煤氣流量計量的因素
- 質量流量計和控制器引擎蓋下的主要組件詳細介紹
- 淺析階躍溫度及水流速度對金屬管浮子流量計的影響
- 選擇流量計時會犯的10個常見錯誤以及如何避免錯誤
- 運用標準計量器具校正金屬管浮子流量計
- 如何正確安裝蒸汽流量計
- 天燃氣流量計的功能介紹
- 蒸汽流量計運行工作前的準備和調試
- 限流孔板流量計作為流量測量元件的使用條件有哪些
- 環(huán)形孔板流量計在各介質中的應用













